Jiawo Electromechanical series
A manufacturer and exporter specializing in the production of high pressure cleaning machines and motors.

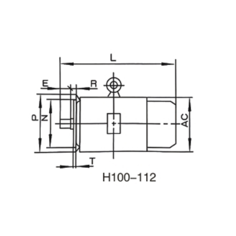
H100-112

Frame without foot end shield with flange(B14)

For more information, please send an email or call our hotline

jiawofanny@outlook.com

Product description

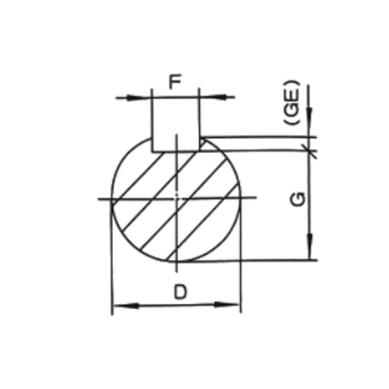
FramePloesDEFGMNPRSTHolesACADHFL
80M2.4.6.81940615.510801200M634175145
305
90S245082011595140M8195165360
90L390
100L2860241301101603.5215180245435
112M240190265470


go back

Tel:13566449999

E-mail:jiawofanny@outlook.com

Add:No.318,Chenguang Road,East New District,Wenling city,Taizhou city ,Zhejiang province,China

Manufacturer and exporter specializing in high pressure cleaners and motors

Focus on us for more dynamics 二維碼

copyright Taizhou Jiawo Electromechanical Co.,Ltd  網(wǎng)站地圖 Technical support: tzzhexing.com